AVUSTRALYA, (DHA) - AVUSTRALYA’da bir okulda, kaya parçası üzerinde 66 fosilleşmiş dinozor ayak izi tespit edildi.
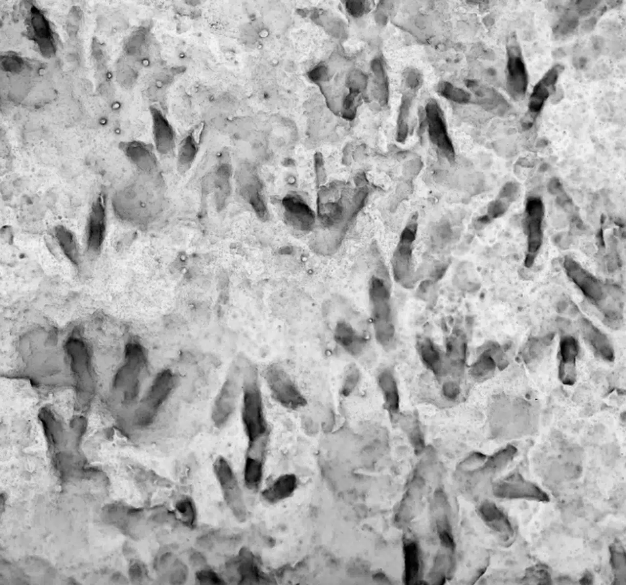
Avustralya’nın Queensland eyaletindeki bir okulda, yıllardır fark edilmeyen bir kaya parçası üzerinde 66 fosilleşmiş dinozor ayak izi keşfedildi. Queensland’in kırsal bölgelerinden Banana şehrinde yer alan bir okul, girişinde sergilenen üç parmaklı ayak izleri bulunan kaya parçasını incelemesi için paleontolog Anthony Romilio ile iletişime geçti. Yapılan analizler, kaya üzerinde erken Jura dönemine, yaklaşık 200 milyon yıl öncesine ait onlarca dinozor ayak izi bulunduğunu ortaya koydu.
Queensland Üniversitesi’nden Romilio, keşfin Avustralya’da bugüne kadar belgelenen en yoğun dinozor ayak izi koleksiyonlarından biri olduğunu kaydederek, “Bu fosil, dinozorların sayısı, hareketleri ve davranışlarına dair benzersiz bir görüntü sunuyor. O döneme ait fosilleşmiş dinozor kemiklerinin bulunmadığı düşünüldüğünde, bu bulgu daha da önemli hale geliyor” dedi.
Söz konusu kaya parçası, 2002 yılında kömür madencileri tarafından bulundu. Üzerindeki sıra dışı izleri fark eden madenciler, bu fosili Queensland’in küçük kasabalarından Biloela’daki bir okula hediye etti. Kaya, okulun giriş bölümünde sergilendi fakat gerçek değeri anlaşılamadı. Romilio, araştırma sürecinde okulda bazı öğretmenlerin bu kayanın bir replikadan ibaret olduğunu düşündüğünü belirterek, “Herkes bunun bir dinozor ayak izi olduğunu biliyordu fakat bir araştırmacının görebileceği detayları fark etmemişlerdi” ifadelerini kullandı.
Araştırmalar sonucunda, yaklaşık bir metrekarelik kaya parçası üzerinde 66 ayrı dinozor ayak izi bulundu. Romilio, izlerin Anomoepus scambus adlı küçük, tıknaz ve iki ayak üzerinde yürüyen bir otçul dinozora ait olduğunu söyledi. Romilio’nun bölgede yaptığı araştırmalar, yalnızca okulda değil, çevrede de dinozor fosillerinin bulunduğunu gösterdi. Bir kömür madeni otoparkının girişinde duran iki tonluk bir kaya parçasında da bir dinozor ayak izi tespit edildi.